0Porovnat
Všechny kategorie
Uživatelské menu
U produktů KG, HT, desek a trubek aktualizujeme ceny a termíny dodání každý den.
Všechny kategorie

KEMPER Frosti 1/2" venkovní nezámrzný ventil s ovládací olivou

Nezámrzný venkovní ventil KEMPER Frosti s ovládací olivou 1/2".

Nezámrzný ventil Kemper je ideální volbou pro všechny, kdo hledají spolehlivé řešení pro venkovní vodovodní rozvody.
Díky své robustní konstrukci, bezpečnostním prvkům a jednoduchému ovládání je skvělým pomocníkem pro každou domácnost či průmyslový objekt.
Tento ventil proti zamrznutí chrání vaše rozvody vody před mrazem a umožňuje jejich bezpečné používání i v extrémních podmínkách.

Záruka 5 let: Jsme si jisti kvalitou našeho produktu a proto nabízíme prodlouženou záruku 5 let.

  • Tloušťka zdiva 150-415 mm: Ventil je vhodný pro širokou škálu tloušťky zdí.
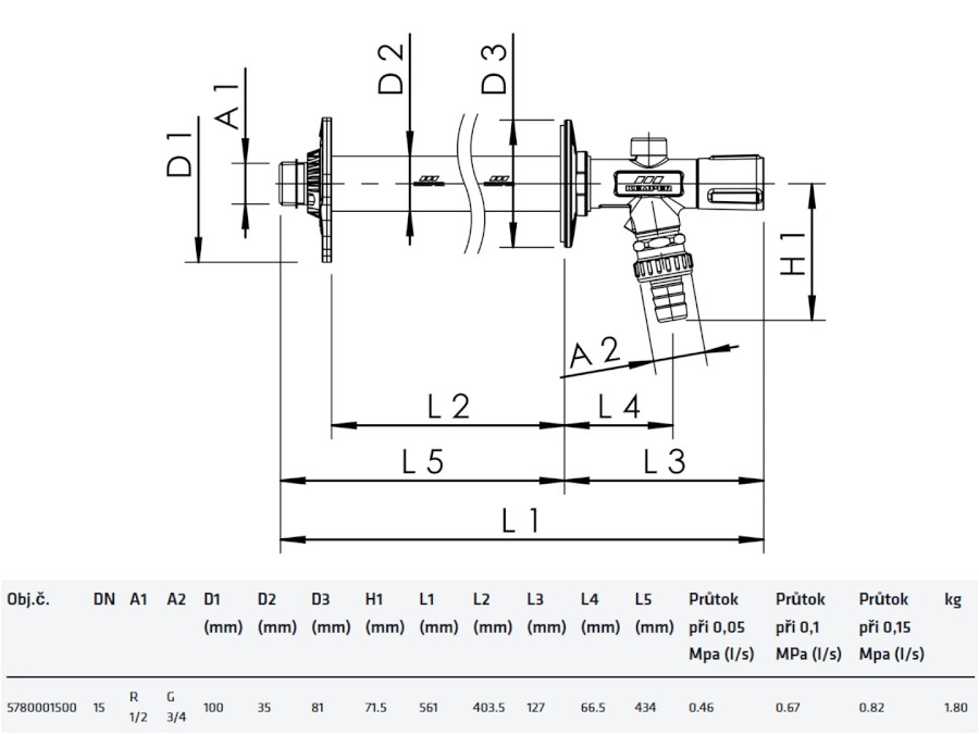
  • Jmenovitá světlost: DN 15: Ventil má průtok DN 15, který je dostatečný pro běžné použití na zahradě.
  • Připojovací rozměr trubky: R 1/2 ": Ventil se snadno připojí k běžným zahradním hadicím.
  • Připojovací závit: G 3/4 ": Ventil je kompatibilní s běžnými rozvody vody.
  • Jmenovitý tlak: PN 16: Ventil je odolný proti tlaku do 16 bar.
  • Materiál: Ventil je vyroben z kvalitních materiálů, které zaručují jeho dlouhou životnost.
  • Konstrukční sada s funkcí automatického vypouštění: Ventil se automaticky vypouští po uzavření, čímž se zabrání zamrznutí vody.
  • Vhodná pro instalace v hrubých stavbách: Ventil lze instalovat i ve fázi hrubé stavby.
  • Univerzální stavební délka: Ventil je dostupný v různých délkách, takže si vyberete tu správnou pro vaši potřebu.

KEMPER Frosti venkovní nezámrzný ventil je ideální volbou pro:

  • Zahrádkáře
  • Chataře
  • Chalupáře
  • Majitele domů se zahradou
Vaše cena2 859 Kč
Vaše cena bez DPH2 363  Kč
Skladem
Jednotka:ks
Kód zboží 1:KEM.57800015
Značka: Kemper ( DE )
Kemper ( DE )

Specifikace

Přihlášení do newsletteru proběhlo úspěšně.
Něco se nepovedlo, kontaktujte nás

Košík obsahuje nepovolené položky

Košík je prázdný

Zobrazit košík

Zboží bylo přidáno do porovnání

Prosím čekejte...
Objednávku nelze dokončit, zkuste to prosím později
Požadavek nemůže být odeslán. Zkuste to znovu později