0Porovnat
Všechny kategorie
Uživatelské menu
U produktů KG, HT, desek a trubek aktualizujeme ceny a termíny dodání každý den.
Všechny kategorie

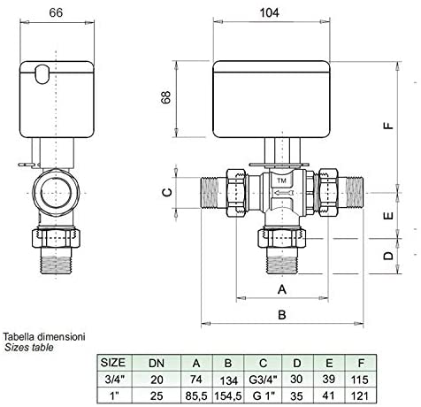
TIEMME třícestný zónový uzávěr se servopohonem a by-passem

Zónový třícestný uzávěr TIEMME s by-passem a servopohonem.

Motorem ovládaný ventil lze využít v různých instalacích budov. Používá se zvláště pro regulaci a kontrolu jednoduchých a zónových systémů vytápění, systémů s alternativními zdroji energie, systémů s horkými a studenými kapalinami a všeobecně s automatickými instalacemi.

Pohon aktivuje otáčení ventilu v 90° úhlu jedním směrem z pozice zavřeno (by-pass) do pozice otevřeno a naopak. Ventil lze ovládat manuálně bez servopohonu přes ovládací vřeteno pomocí 8 mm klíče; vyfrézované plošky vřetene odpovídají pozici by-passového otvoru koule. Ventil je třeba instalovat podle směru průtoku označeného na těle ventilu pomocí šipky.

Funkcí ventilů je přerušení a vyrovnání průtoku, ale nabízí různé možnosti aplikací kromě instalace na koplanární rozdělovače, například přímo v topné centrále, na lineární rozdělovače...

Jednotka:ks
Kód zboží 1:TM2137N
Značka: TIEMME Raccorderie ( IT )
TIEMME Raccorderie ( IT )

Dokumenty

Videa

Odkazy

Specifikace

Přihlášení do newsletteru proběhlo úspěšně.
Něco se nepovedlo, kontaktujte nás

Košík obsahuje nepovolené položky

Košík je prázdný

Zobrazit košík

Zboží bylo přidáno do porovnání

Prosím čekejte...
Objednávku nelze dokončit, zkuste to prosím později
Požadavek nemůže být odeslán. Zkuste to znovu později